Elektronischer Marx-Stoßspannungsgenerator zur Erzeugung einer Blitzstoßspannung 1,2/50
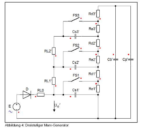
Marx-Stoßspannungsgeneratoren sind bekannte, aber aufwändige und teure Einrichtung zur Erzeugung von Stoßspannungen zu Prüfzwecken. Zur Erzeugung einer genormten Blitz-Stoßspannung 1,2/50 mit einem Scheitelwert von 25. 000 V wurde eine kostengünstige elektronische Variante entwickelt.


Die elektronische Variante arbeitet nach dem gleichen Prinzip. Verwendet werden aber ausschließlich preisgünstige Niederspannungs-Bauteile mit Spannungswerten bis maximal 1.600 V. Zum Aufladen dient ein Standard-Labornetzgerät 1.000 V. Der Elektronische Marx-Stoßspannungsgenerator besteht aus einer größeren Zahl von identischen Modulen, die je auf einer Leiterplatte aufgebaut sind. Mit diesem modularen System sind Spannungserweiterungen leicht möglich.

